Relé REL-OR-120AC/3X21 - 2834290
Ref: REL-OR-120AC/3X21 - 2834290 Cód: 34.04.0116 Marca: Phoenix Contact
Por: R$108,10 unid
2x de R$ 54,05 sem juros no cartão
Ou R$ 102,70 no boleto à vista ( - 5% )
Calcule o frete
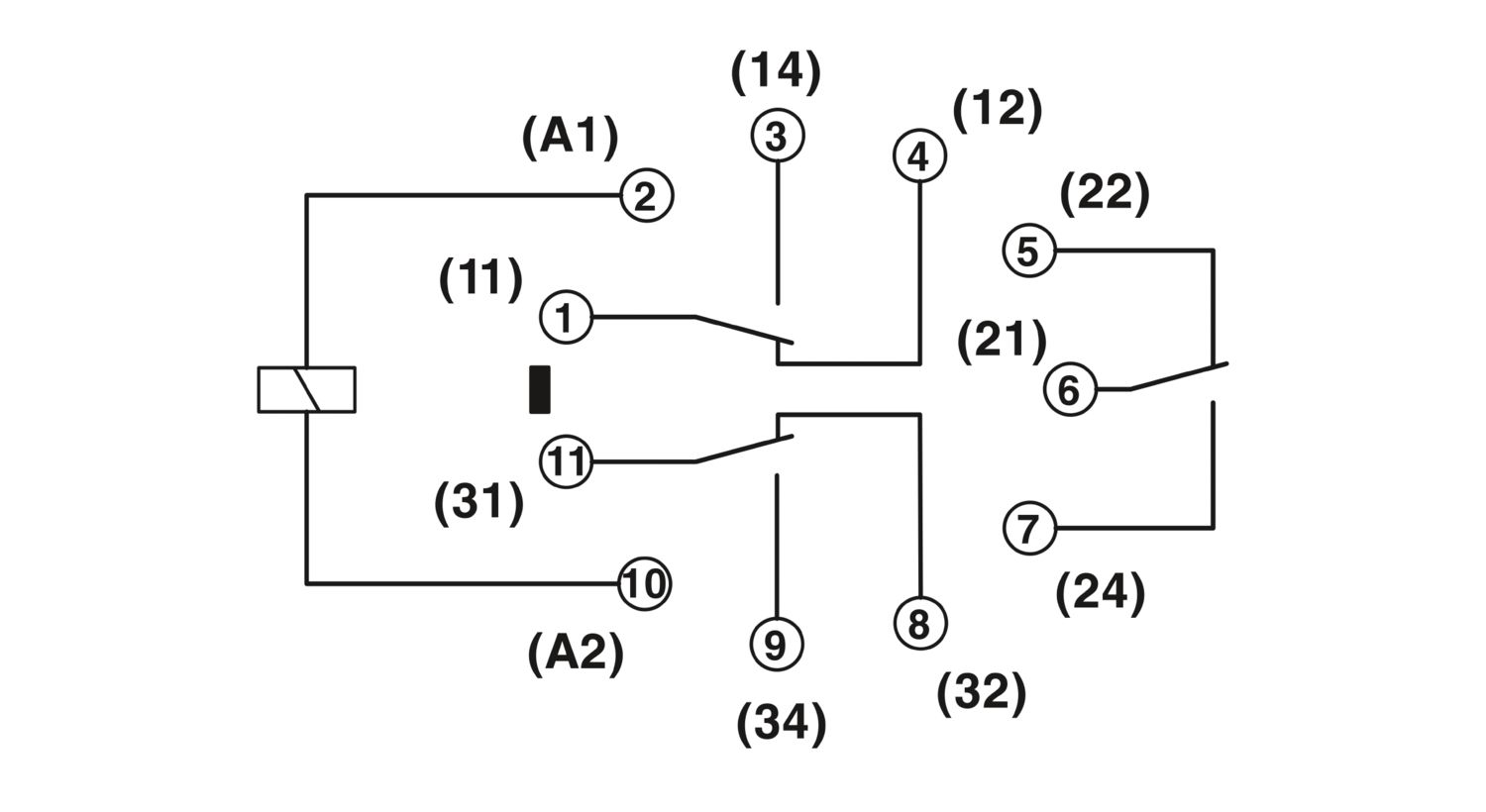
Relé octal plugável com contatos de potência, 3 inversores, chave de teste, indicação mecânica de posição de ligação.
|
Largura |
34,5 mm |
|
Altura |
34,5 mm |
|
Profundidade |
52,5 mm |
|
Tensão nominal de entrada UN |
120 V AC |
|
Faixa de tensão de entrada relativa a UN |
0,8 ... 1,1 |
|
Frequência de rede |
50/60 Hz |
|
Típica corrente de entrada com UN |
22 mA (com 50 Hz) |
|
20 mA (com 60 Hz) |
|
|
Tempo de resposta típico |
5 ms ... 20 ms (CA, de acordo com a posição da fase) |
|
Faixa de tempo de retorno típico |
5 ms ... 20 ms (CA, de acordo com a posição da fase) |
|
Resistência de bobina |
1520 Ω ±15 % (a 20 °C) |
|
Potência de dissipação máxima com condição nominal |
2,64 W |
|
Versão do contato |
3 contatos reversíveis |
|
Tipo de contato de comutação |
Contato simples |
|
Material de contato |
AgSnIn |
|
Tensão de comutação máxima |
250 V AC/DC |
|
Tensão de comutação mínima |
1 V |
|
Corrente de comutação mínima |
10 mA |
|
Corrente de ligação máxima |
sob consulta |
|
Corrente máx. em regime permanente |
10 A (NA) |
|
5 A (Contato NF) |
|
|
Potência de desligamento (carga ôhmica) máxima |
2500 VA (com 250 V AC) |