• Alto contraste
  • A+Aumentar Fonte
  • A-Diminuir Fonte
  • AFonte normal
  • Navegação Facilitada
  • Conteúdo [C]
  • Menu [M]
  • Busca [B]
  • Rodapé [R]
  • Acessibilidade
  • Fone: (54) 2992-2555
  • Whatsapp: (54) 99663-1386
  • Fale Conosco
Logo
    0
    • Institucional
      • Quem somos
      • Localização
    • Automação e Controle
      • Contatores
        • Contatores
        • Bobinas Individuais
        • Contato Auxiliar
        • Mini Contator
        • Contator Tripolar
        • » ver todos
      • Controladores
        • Sensores e Termopares
        • Acessórios
        • Contador
        • Temperatura
        • Temporizador
        • Timer
        • Refrigeração
        • » ver todos
      • Chave
        • Chave Fim de Curso
        • Chave de Segurança
        • Chave Rotativa
        • Chave Magnética
        • » ver todos
      • Conectores
        • Conector M12
        • Conector M8
        • Conector Elétrico
        • Conector para Válvula
        • Caixa para Conector
        • Conector Circular
        • » ver todos
      • Encoders
      • Inversor de Frequência
      • Módulo
        • Módulo de Segurança
        • » ver todos
      • Relés
        • Reles Eletromecânicos
        • Rele Térmico
        • Rele de sobrecarga
        • Reles de Segurança
        • Estado sólido
        • Acoplador a Relé
        • Módulo Relé
        • » ver todos
      • Sensores
        • Sensor de Proximidade
        • Acessórios
        • Capacitivos
        • Indutivos
        • Fotoelétrico
        • Sensor Magnético
        • Fibra Óptica
        • » ver todos
      • Termostato
      • Ventiladores
        • Acessórios
        • » ver todos
      » ver todos
    • Comando e Sinalização
      • Botões
        • Acessórios
        • Anti-vandalismo
        • Duplo
        • Emergência
        • Furo 16mm
        • Manipuladores
        • Pulsador
        • Seletoras
        • Sinalizador
        • » ver todos
      • Bloco de Contato
      • Bloco de Iluminação
      • Botoeira
      • Dimmer
      • Joystick
      • Sinaleiros
      » ver todos
    • Eletricidade
      • Bornes
        • Conexão Push-in
        • Jumpers
        • Conexão à Mola
        • Borne Fusível
        • Conexão Power-Turn
        • » ver todos
      • Caixa Plástica
        • Caixa para Botões
        • Caixa tipo Patola
        • Caixa para Tomada
        • » ver todos
      • Disjuntor
        • Mini Disjuntor
        • Disjuntor Motor
        • Disjuntor Termomagnético
        • Diferencial Residual
        • Contato Auxiliar
        • » ver todos
      • Fios e Cabos
        • Microfone
        • Paralelo
        • Bicolor
        • Cabinho
        • Manga
        • PP
        • » ver todos
      • Fonte de Alimentação
        • Fonte Chaveada
        • Fonte Chaveada Industrial
        • Fonte ajustável
        • » ver todos
      • Identificação
        • Etiquetas
        • Porta identificação
        • » ver todos
      • Protetor de Surto
      • Transformador
      • Plugs Elétricos
      • Plugues e Tomadas Industriais
        • Tomadas
        • Plugues
        • » ver todos
      • Resistência
      • Terminais
        • Tubular
        • Forquilha
        • Olhal
        • Faston
        • Luva emenda
        • Pino
        • » ver todos
      • Termo Retrátil
      • Trilho
        • Suporte para Trilho
        • » ver todos
      » ver todos
    • Instrumentação
      • Acessórios
      • Alicate Amperímetro
      • Multímetro
      • Megômetro
      • Osciloscópio
      • Voltímetros e Amperímetros
      • Termômetro
      • Testador Elétrico
      » ver todos
    • Componentes Eletrônicos
      • Arduínos
        • Shield
        • » ver todos
      • Resistor
      • Diodo
        • Led
        • » ver todos
      • Capacitor
        • Eletrolítico
        • De Partida
        • SMD
        • Poliéster
        • » ver todos
      • Diodo
        • LED
        • » ver todos
      • Circuito Integrado
      • Potenciômetro
        • Mini
        • » ver todos
      • Fusível
      • Borne KRE
      • Plug
        • RCA
        • Jack
        • Mini Din
        • Din
        • Canon
        • P - 10
        • » ver todos
      • Fusível
        • Porta Fusível
        • Diazed
        • » ver todos
      • Cabo para fonte
      • Chave
        • Push Button
        • Rotativa
        • HH
        • TACT
        • Alavanca
        • » ver todos
      • Terminal
      • Capa DB-9/DB-15/DB25
      • Ponte Retificadora
      • Conectores
        • Conector BNC
        • Conector RCA
        • Conector DB25
        • Conector P10
        • Conector P2
        • Conector DB15
        • Conector RJ45
        • Conector P4
        • Conector F
        • Conector RJ11
        • Conector RJ12
        • Conector DB9
        • » ver todos
      » ver todos
    • Ferramentas
      • Alicates
        • Alicates de Crimpar
        • Alicate Decapador
        • Alicate de Corte
        • Alicates de Conector de Cabo
        • Alicate de Bico
        • » ver todos
      • Lupas
      • Chaves
      • Soprador Térmico
      • Testador de Cabo
      • Cadinho de Solda
      • Estação de Solda
      • Ferro de Solda
      • Sugador de Solda
      • Lanterna
      » ver todos
    • Outros
    • Automação e Controle

    • Relés

    • Reles Eletromecânicos

    Voltar
    RELE DIG. REL-IR4/L-230AC/4X21AU 2903685 34.04.0413 2903685
    RELE DIG. REL-IR4/L-230AC/4X21AU 2903685 34.04.0413 2903685
    RELE DIG. REL-IR4/L-230AC/4X21AU 2903685 34.04.0413 2903685
    RELE DIG. REL-IR4/L-230AC/4X21AU 2903685 34.04.0413 2903685
    RELE DIG. REL-IR4/L-230AC/4X21AU 2903685 34.04.0413 2903685
    RELE DIG. REL-IR4/L-230AC/4X21AU 2903685 34.04.0413 2903685
    Passe o mouse para dar zoom
    RELE DIG. REL-IR4/L-230AC/4X21AU 2903685 34.04.0413 2903685
    Passe o mouse para dar zoom
    RELE DIG. REL-IR4/L-230AC/4X21AU 2903685 34.04.0413 2903685
    Passe o mouse para dar zoom
    RELE DIG. REL-IR4/L-230AC/4X21AU 2903685 34.04.0413 2903685
    Passe o mouse para dar zoom
    RELE DIG. REL-IR4/L-230AC/4X21AU 2903685 34.04.0413 2903685
    Passe o mouse para dar zoom

    RELE DIG. REL-IR4/L-230AC/4X21AU 2903685

    Ref: 2903685 Cód: 34.04.0413 Marca: Phoenix Contact

    unid
    avise-me
    Adicionar aos favoritos
    Datasheet
    • Descrição
    • Caracteristicas Técnicas

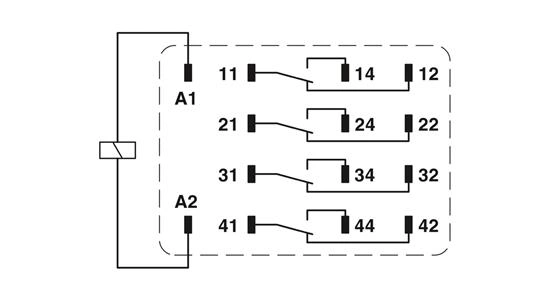
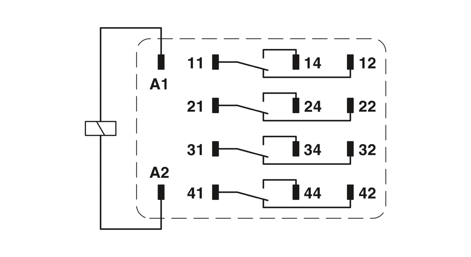
    Relé industrial plugável com contatos de potência e camada de ouro adicional, 4 contatos reversíveis, botão de teste, LED de status, indicação de posição de ligação mecânica, tensão de bobina: 230 V AC.

    • Largura 21,2 mm
    • Altura 27,5 mm
    • Profundidade 35,6 mm
    • Tensão nominal de entrada UN 230 V AC
    • Tipo de contato de comutação 4 contatos reversíveis
    • Corrente limite permanente 50 mA

    Produtos Relacionados

    RELE REL-MR-120AC/21-21/MS - 2987969 34.04.0113 REL-MR-120AC/21-21/MS - 298796

    RELE REL-MR-120AC/21-21/MS - 2987969

    R$ 91,80

    R$91,80

    unid


    Adicionar aos favoritos

    comprar
    RELE REL-MR- 24DC/21-21 - 2961192 34.04.0096 REL-MR- 24DC/21-21 - 2961192

    RELE REL-MR- 24DC/21-21 - 2961192

    R$ 62,00

    R$62,00

    unid


    Adicionar aos favoritos

    comprar
    RELE REL-OR-230AC/2X21 - 2834261 34.04.0117 REL-OR-230AC/2X21 - 2834261

    RELE REL-OR-230AC/2X21 - 2834261

    R$ 104,70

    R$104,70

    unid

    2x de R$ 52,35 sem juros no cartão

    Adicionar aos favoritos

    comprar
    RELE REL-MR-110DC/21-21 - 2961202 34.04.0230 REL-MR-110DC/21-21 - 2961202

    RELE REL-MR-110DC/21-21 - 2961202

    R$ 75,60

    R$75,60

    unid


    Adicionar aos favoritos

    comprar
    RELE REL-MR-230AC/21-21/MS - 2987972 34.04.0115 REL-MR-230AC/21-21/MS - 298797

    RELE REL-MR-230AC/21-21/MS - 2987972

    R$ 122,00

    R$122,00

    unid

    2x de R$ 61,00 sem juros no cartão

    Adicionar aos favoritos

    comprar
    RELE REL-MR- 24DC/21HC - 2961312 34.04.0094 REL-MR- 24DC/21HC - 2961312

    RELE REL-MR- 24DC/21HC - 2961312

    R$ 57,00

    R$57,00

    unid


    Adicionar aos favoritos

    comprar
    RELE REL-MR-60DC/21 2961118 34.04.0097 REL-MR-60DC/21 2961118

    RELE REL-MR-60DC/21 2961118

    R$ 140,00

    R$140,00

    unid

    2x de R$ 70,00 sem juros no cartão

    Adicionar aos favoritos

    comprar
    RELE REL-OR-120AC/3X21 - 2834290 34.04.0116 REL-OR-120AC/3X21 - 2834290

    RELE REL-OR-120AC/3X21 - 2834290

    R$ 108,10

    R$108,10

    unid

    2x de R$ 54,05 sem juros no cartão

    Adicionar aos favoritos

    comprar
    RELE REL-MR- 24DC/1IC - 2961341 34.04.0093 2961341

    RELE REL-MR- 24DC/1IC - 2961341

    R$ 39,80

    R$39,80

    unid

    Adicionar aos favoritos

    comprar
    RELE REL-OR- 24AC/3X21 - 2834287 34.04.0122 2834287

    RELE REL-OR- 24AC/3X21 - 2834287

    R$ 97,70

    R$97,70

    unid


    Adicionar aos favoritos

    comprar

    Avise-me!

    Informe seu nome, e-mail e telefone abaixo para ser notificado quando este produto estiver disponível em estoque.


    Solicitação de Cotação!

    Informe seu nome, e-mail e telefone abaixo para ser notificado sobre a cotação deste produto.

    Logo footer
    1. (54) 2992-2555
    2. (54) 99663-1386
    3. sac@eletruscomp.com.br

    Redes sociais

    • Institucional
    • Quem Somos
    • Horário de Atendimento Loja Física
    • Política de Privacidade
    • Como Comprar
    • Atendimento
    • Fale Conosco
    • Trabalhe Conosco
    • Trocas e Devoluções

    Segurança

    • Seu pedido com Segurança Seu pedido com Segurança

    Formas de pagamento

    Eletrus Componentes Eletrônicos - CNPJ 04.080.033/0001-40

    Rua Os 18 do forte, 692, Bairro Lourdes Caxias do Sul / RS

    • Axysweb Soluções em Informática
    • Axysweb Soluções em Informática

    Este site utiliza cookies para oferecer a você uma experiência mais personalizada de navegação. Para saber mais sobre cookies utilizados, acesse nossa Política de Privacidade.

    Atenção!

    Você tem certeza que deseja prosseguir?

    cancelar
    ok

    Componentes Eletrônicos

    Você tem mais de 18 anos?


    Para visitar o site da Componentes Eletrônicos você precisa ter idade mínima, de acordo com as leis de seu país, para consumir bebidas alcoólicas.
    Desculpe, para acessar o site você precisa ser maior de 18 anos.