MT-512E Termostato Digital Full Gauge

Cód: 34.71.0021

R$ 238,00

Por: R$238,00

2x de R$ 119,00 sem juros no cartão

Ou R$ 226,10 no boleto à vista ( - 5% )

Opção



Calcule o frete

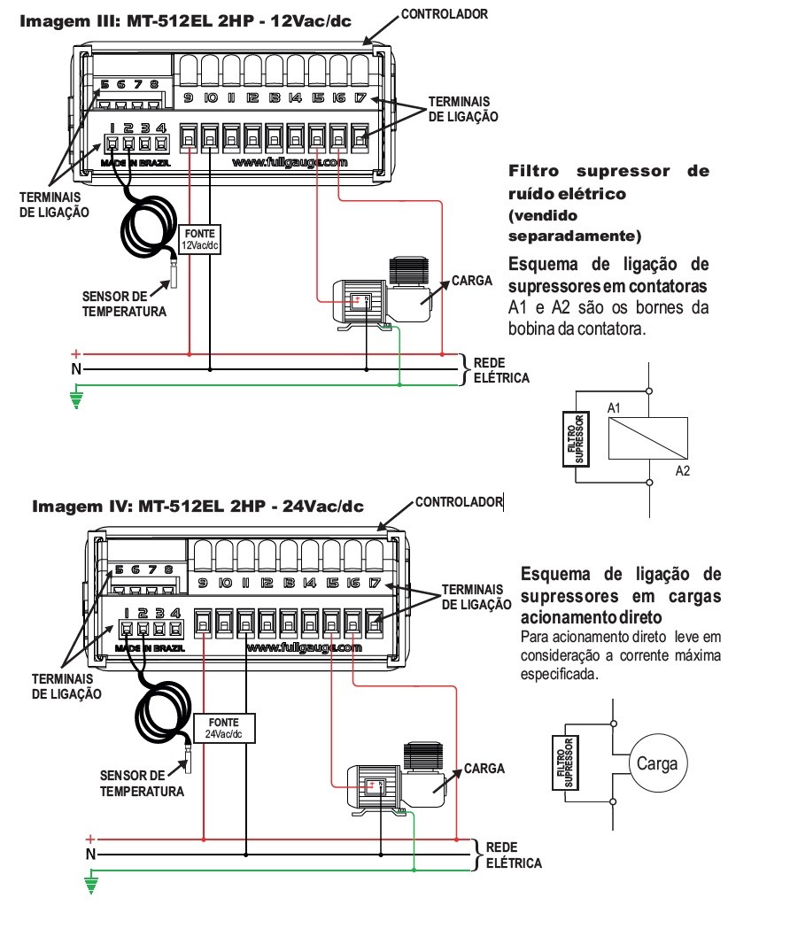
Utilizado para refrigeração ou aquecimento, com ele é possível realizar degelos periódicos por parada do compressor (degelo natural) e forçar degelos manualmente. Possui um potente relé de 16A para acionar cargas de até 2HP, com a possibilidade de conjugar essa saída a um temporizador cíclico (timer) interno para a programação do tempo de refrigeração e degelo.

Outro recurso disponível é o desligamento das funções de controle, fazendo com que o MT-512E 2HP opere somente como indicador de temperatura. Também apresenta filtro digital configurável, o qual tem a finalidade de simular um aumento de massa no sensor do ambiente, aumentando assim o seu tempo de resposta, ou seja, torna a resposta do sensor mais lenta (retardo). E, através de um sistema inteligente de bloqueio de funções, evita  o acesso de pessoas não autorizadas às funções de controle.

Modelos:

  • MT-512E 115 - 230 VAC
  • MT-512EL 12 - 24 VDC/AC

 

Acompanha sensor NTC

Este produto possui certificações CE, UL e NSF.

Os produtos da linha Evolution contam com frontal blindada IP-65, tecla Flatec para acesso facilitado, display com quatro dígitos e acessórios exclusivos*, como a chave programadora EasyProg e a capa protetora Ecase.


Dimensões: 71 x 28 x 71 mm

Exemplo de Aplicação: balcões refrigerados, câmaras de resfriados, pistas aquecidas, estufas e chopeiras.